水泵浮球液位控制器,浮球開關控制器,浮球液位傳
發布時間:2022-09-13 23:25:11
JSML-UQ K—71系列簧片
浮子液位控制器**應用于民用建筑水箱、水塔、水池、以及污水處理、食品、造紙、石化等行業的開放式或封閉式儲罐,地下水池罐內各種液位的液位測量可分為工業污水、堿、酸、油、水等導電和非導電液體。
是如何工作的。在控制器中安裝了多個GAG-5大功率磁簧開關,當浮子配上磁鋼隨液位上下時,干簧開關與之接觸動作,從而達到控制液位的目的。模型的解釋。結構形式(模型)。泵在高水位。低水位泵停止和DK-10可以匹配。普通蘆葦(頂部)。一個常閉簧片(下)。在高水位時停止泵。低水位泵可與DK-10配套使用。一個常閉簧片(上部)。普通簧片(下)。與DK-10電機控制箱配套自動控制。普通蘆葦(頂部)。普通簧片(下)。上、下限液位控制及高低限位報警與DK-10可匹配。三根蘆葦。通常閉合的簧片。上、下限液位控制及高低限位報警與DK-10可匹配。通常閉合的簧片。三根蘆葦。
與DK-10電機控制箱配套自動控制。四根蘆葦。需要控制4點以上的控制器可以協商。布線和安裝。A由于鐵路運輸的限制,4m以上采取分段包裝,安裝時由用戶自行焊接,焊接完畢后,將焊縫銼直,并做好水壓試驗(壓力小于0.6MPa),以確保無泄漏即可使用,F型傳感器必須與箱體內的氟塑料套管套并固定。或者用戶可以自己解決運輸問題。B. 傳感器安裝在被測容器上,安裝方法如圖2所示,傳感器下端與容器底部固定牢固。C. 傳感器與顯示器之間的連接線不能用交流電源敷設,因為感性交流電可能對儀器產生影響,為了避免對信號的干擾,盡可能將屏蔽電纜敷設在鐵管中。D、法蘭安裝G法蘭標準HG20592-97DN150、PN1.6(其他法蘭標準咨詢方案)螺紋安裝螺紋尺寸M30×2。

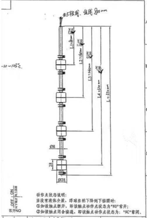
主要技術參數。干簧觸點容量。220VAC,1A。UQK-71液位控制裝置工作壓力。≤1.6MPa。被測介質的比重。>0.7g/cm3。被測介質的溫度。國產蘆葦-10°C~+80°C,進口蘆葦。10℃~+120℃。
JSML-UQK-71浮子液位計測量范圍G型(不銹鋼)≤4m,(4m以上協商解決)F型(氟塑料)≤4m。
液位儀表簡介。
浮球液位計由傳感器和指示器組成。浮球液位傳感器由帶磁簧的不銹鋼防護管和帶磁鐵的浮球組成。浮球液位傳感器的磁性浮球隨容器內液體的升降而上下運動,利用感應效應使保護管中的磁簧管移動,引起線性電阻的電阻發生變化,并通過指示器的變化反映液位變化。磁柱液位計根據浮力原理和磁耦合原理工作。
產品類別:一般:用于水和一般腐蝕性介質,導桿和φ76浮子為不銹鋼。常溫型:-5-65°C,ABS工程塑料耐腐蝕。耐腐蝕類型:導桿和φ120浮子為不銹鋼內襯聚四氟乙烯,用于強酸性介質。小型浮動類型:φ48不銹鋼浮子和導桿。
折疊編輯本段輸出窗體。4-20mA雙線DC24V電源。B.1-5V三線制(現場LED顯示)。0-10 mA四線制交流220V電源。

這一段是如何運作的?磁浮子隨被測液位沿測量管上下移動。磁體使干簧管瞬間處于導管開關中的相應位置,輸出相應位置的接觸信號,并與相應的控制電路配合,完成對注液或抽液泵的自動控制,使液位控制在規定的范圍內。位置接觸信號與報警電路配合,可用于危險液位(上、下限)的報警和控制。折疊并編輯本段說明。M.帶指示器的普通型(指針式或數字式)。O.普通型,無說明。本質安全型帶指示表(帶安全柵的指針式)。g.防爆型無指示燈頭。M1. 液晶顯示器頭。M2 LED頭。

JSML-UDM-2 1
水泵浮球液位控制器,浮球開關控制器,浮球液位傳感器 A 3 M通用型,4-20mA雙線DC24V 電源固定鋼法蘭。控制范圍200~8000mm。(4000mm以上的分段)。輸出信號干簧觸點380V AC,2A。一生5×104次。控制介質溫度—20~100°C。(特殊訂單可為125°C)。工作壓力0~0.6 MPa。(*高可達2.5 MPa的特殊訂單)。中等比重≥0.4 g/cm3。控制靈敏度10mm。中等粘度≤ 0.05 Pa.S.使用環境溫度-10~55°C溫度≤85%,無強烈震動。